磨床厂家制造的磨床,精密磨床,工具磨床,平面磨床等数控磨床磨削加工停止怎么处理?
数控系统:西门子3M系统。
故障现象:这台数控磨床一次在自动加工时,有时没有磨削完,加工 就停止。

故障分析与检查:观察故障现象,这台磨床厂家制造的磨床,精密磨床,工具磨床,平面磨床等数控磨床磨削的工件具有六个 球道,每磨完一个球道,就修整一次砂轮,磨床厂家制造的磨床,精密磨床,工具磨床,平面磨床等数控磨床每次出现故障都是在 磨削完一个球道后,磨轮退回,在修整位置时停机的,这时修整器没 有摆动修整动作。因此怀疑修整器有问题,修整器的摆动是由电磁阀
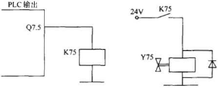
Y75控制液压缸摆动的,如图7.15所示,Y75受PLC输出Q7.5控制。 在出现故障时,通过系统的PC功能检査PLC输出Q7.5状态,发现为“1”没有问题, 而检査电磁阀Y75 却没有得到24V的 控制电压,因为 PLC的输出Q7.5 是通过一个中间继 电器K75控制电磁 阀的,肯定是这个 继电器坏了。
故障处理:更换新的继电器,磨床厂家制造的磨床,精密磨床,工具磨床,平面磨床等数控磨床故障消除。